
Relevante Energieformen
| Endenergieform | Nutzenergieform | Nebenenergieform |
| (Fossile) Brennstoffe | Pneumatische Energie (kompressibel) | Wärme |
Kurzbeschreibung
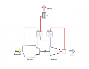
Mit Hilfe eines Schraubenkompressors, welcher von einem gasbetriebenen Verbrennungsmotor angetrieben wird, erfolgt die Erzeugung von Druckluft. Die dadurch entstehende Abwärme wird auf einem hohen Temperaturniveau durch einen Wärmetauscher abgeführt (bosch-thermotechnology.com 2017). Der größte Teil des Primärenergieträgers Erdgas wird in Wärme (bis zu 85 Prozent) und der weitere Teil in Druckluft (ca. 10 Prozent) gewandelt (energiewerkstatt.de 2018).
Funktionsskizze

Berechnung des Umwandlungswirkungsgrades, typische Werte
Der thermische Wirkungsgrad liegt zwischen 70 und 90 Prozent. Beispielhafte Werte sind : ƞ = 73 % [4], ƞ = 82 % [1], ƞ = 87,5 % (energiewerkstatt.de 2018)
Bauarten
Druckluft-Wärme-Kraftwerke bestehen aus einem Verbrennungsmotor, einem Verdichter und den Wärmeübertragern. Je nach Funktion unterscheiden sich diese in der Anzahl an Wärmeübertragen. Beispielsweise beinhalten Druckluft-Wärme-Kraftwerke der Firma Robert Bosch GmbH drei (Pecka, Michael 2015), der Firma Postberg+Co. GmbH zwei Wärmeübertrager (energiewerkstatt.de 2018).
Betriebs-Charakteristika
| Regelbarkeit | Die Verdichterleistung ist über die Motorleistung stufenlos regelbar (bosch-thermotechnology.com 2017). |
Energetische Kennwerte
| Verfügbare Leistungsstufen/-klassen | Der maximale Ausgangsdruck beträgt 8,5 bar und die Heizungsvorlauftemeperatur wird konstant auf 90 °C gehalten (bosch-thermotechnology.com 2017). Die thermische Leistung unterscheidet sich je nach Gerät. Beispielhafte Werte sind 59,5 kW (energiewerkstatt.de 2018), 135 kW (bosch-thermotechnology.com 2017) und 200 kW (energiewerkstatt.de 2018). |
Wirtschaftliche Kennwerte
| Investkosten/kW | Der Listenpreis des Druckluft-Wärme-Kraftwerks der Firma Robert Bosch GmbH beträgt 200.000 Euro inklusive der Installation. Mit Hilfe dieses Druckluft-Wärme-Kraftwerks konnten beispielsweise bei einer 90 Prozentigen Auslastung über 50.000 Euro im Jahr gespart werden. Zusätzlich konnte der CO2- Footprint halbiert werden (energiewerkstatt.de 2018). |
Subjektive Technologie-Portfolio-Analyse
| Technologieattratktivität | Industrielle Umsetzbarkeit | Umsetzbarkeit | Ist es technisch denkbar, diese Technologie zur Bereitstellung von Energieflexibilität einzusetzen? (Grün = Ja, Gelb = Ggf., Rot =Nein) | |
| Komplexität | Wie komplex wäre der Einsatz dieser Technologie zur Bereitstellung von Energieflexibilität? (Grün = einfach, Gelb = eher komplex, Rot = sehr komplex oder nicht möglich) | |||
| Anwendbarkeit bei Industriepartnern | Wäre eine Flexibilisierung solcher Anlagen bei Industriepartnern direkt möglich? (Grün = Ja, Gelb=Nur mit größeren Umbaumaßnahmen, Rot = Nein) | |||
| Einsatzhäufigkeit und Verbreitung | Energetischer Impact | Hat die Technologie typischerweise einen bedeutenden Anteil am Strombedarf eines Fabrikbetriebes? (Grün = Tendenziell ja, Gelb = eher nicht, Rot = Nein (weil z.b. andere Energieträger)) | ||
| Verbreitung in Deutschland | Wie ist der Verbreitungsgrad der Technologie in Deutschland einzuschätzen? (Grün = hoch, Gelb = mittel, Grün = niedrig) | |||
| Umrüstaufwand und Integration | Technology Readiness Level | Wie weit ist die Technologie entwickelt? (Grün = TRL 7-9 Gelb = TRL 4-6, Rot = 1-3) | ||
| Grad der Prozessentkopplung | Wie stark beeinflusst die Anlage in der Regel den Hauptprozess? (Grün = Zwischen der Anlage und dem Hauptprozess befindet sich i.d.R. ein Speicher oder Netz, Gelb = Anlage ist tendentiell nahe am Prozess verbaut, Rot = Anlage hat i.d.R. direkt Einfluss auf den Prozess) | |||
| Möglichkeit des Energieträgerwechsels | Ist ein Energieträgerwechsel möglich? (Grün = Ja in der gleichen Anlage, Gelb = Mit einer zweiten Anlage, Rot = Nein) | |||
| Umrüstaufwand | Wie wird der Aufwand zur Befähigung der Anlage eingeschätzt? (Grün = niedrig, Gelb = mittel, Grün = noch) | |||
| Ressourcenstärke | Übertragbarkeit | Übertragbarkeit | Wie gut lässt sich eine Lösung zur Flexibilisierung dieser Anlage auf andere Anlagen übertragen? (Grün = Technologien sind immer ähnlich aufgebaut, Lösungen sind also übertragbar, Gelb = Keine Aussage möglich, Rot = Sehr Prozessspezifisch bzw. standortspezifisch) | |
| Wirtschaftlichkeit | Erschließungskosten der Maßnahme | Wie hoch sind die spezifischen Investitionshöhen (Grün = niedrig (z.B. nur andere Regelungsart), Gelb = mittel, Rot = hoch (z.B. teure zweite Anlage muss installiert werden) | ||
| Spezifische Wandlerkosten | Wie hoch sind die spezifischen Speicherkosten (Grün = niedrig, Gelb = mittel, Rot = hoch) | |||
| Abrufkosten der Maßnahme | Wie groß ist die Verlustleistung über die Zeit? (Standverluste, Grün = Langzeitspeicher Gelb = Stundenspeicher, Rot = Kurzzeitspeicher) | sehr stark fallabhängig |
Best Available Technology
Nein – Mit Druckluft-Wärme-Kraftwerken kann keine Energieflexibilität bereitgestellt werden. Nur wenn ein zweiter, elektrisch betriebener Kompressor angeschafft wird, kann zwischen den beiden Anlagen bivalent betrieben werden.
Zusammenfassung genereller Vor- und Nachteile
Vorteile
- Verringerung der Energiekosten (bosch-thermotechnology.com 2017)
- Steigerung der Gesamteffizienz (bosch-thermotechnology.com 2017)
- Verringerung des CO2-Footprints (bosch-thermotechnology.com 2017)
- Drucklufterzeugung unabhängig vom Strompreis und gesetzlichen Rahmenbedingungen (energiewerkstatt.de 2018)
Nachteile
- Optimaler Einsatz erfordert kontinuierliche Abnahme von Druckluft und Wärme (erfurt.ihk.de 2017)
Anwendungsbeispiele
Das Druckluft-Wärme-Kraftwerk wird im Mehrschichtbetrieb, wo Druckluft und Wärme als Grundlast dienen, verwendet. Einsatzbeispiele sind unteranderem die Lebensmittel-, die Automobilzulieferer- und die Papierindustrie, sowie Unternehmen aus der Galvanik oder Kunststoffverarbeitung (energiewerkstatt.de 2018).
Literaturverzeichnis
- bosch-thermotechnology.com (2017): Datenblatt Druckluft-Wärme-Kraftwerk CHP CA 570 NA, zuletzt geprüft am 01.08.2019
- energiewerkstatt.de (2018): Druckluft-Wärme-Kraftwerk, zuletzt geprüft am 01.08.2019
- energiewerkstatt.de (2018): Datenblatt Druckluft-Wärme-Kraftwerk HWV 20, zuletzt geprüft am 01.08.2019
- erfurt.ihk.de (2017): Kraft-Wärme-Kopplung (KWK), zuletzt geprüft am 01.08.2019
- Pecka, Michael (2015): Druckluft erzeugen ohne Strom, Energie & Management GmbH, zuletzt geprüft am 01.08.2019
